Podłączenie wyłącznika schodowego podwójnego może wydawać się skomplikowane, jednak z odpowiednimi informacjami i narzędziami, można to zrobić samodzielnie. Włącznik schodowy podwójny pozwala na sterowanie dwoma źródłami światła z różnych miejsc, co jest szczególnie przydatne w dużych pomieszczeniach, korytarzach czy na schodach. W artykule omówimy, jak prawidłowo podłączyć taki włącznik, zwracając uwagę na ważne zasady bezpieczeństwa oraz najczęstsze błędy, które mogą wystąpić podczas instalacji.
Przed rozpoczęciem pracy kluczowe jest wyłączenie zasilania w rozdzielnicy oraz upewnienie się, że nie ma napięcia. W dalszej części przedstawimy szczegółowy schemat podłączenia oraz praktyczne wskazówki, które pomogą w uniknięciu problemów z działaniem włącznika. Dzięki tym informacjom, nawet osoby bez doświadczenia w instalacjach elektrycznych będą mogły skutecznie przeprowadzić tę operację.
Najważniejsze informacje:
- Wyłącznik schodowy podwójny umożliwia kontrolowanie dwóch źródeł światła z różnych miejsc.
- Podłączenie wymaga czterech przewodów: dwóch zasilających i dwóch korespondencyjnych.
- Bezpieczeństwo jest kluczowe – przed pracą należy wyłączyć zasilanie i upewnić się, że nie ma napięcia.
- W przypadku wątpliwości lub braku doświadczenia, warto skonsultować się z elektrykiem.
- Najczęstsze błędy to niewłaściwe połączenia przewodów oraz brak przygotowania instalacji.
Jak skutecznie podłączyć wyłącznik schodowy podwójny dla amatorów
Podłączenie wyłącznika schodowego podwójnego może być prostym procesem, pod warunkiem, że odpowiednio się do niego przygotujesz. Kluczowe jest, aby przed rozpoczęciem jakichkolwiek prac zapoznać się z zasadami bezpieczeństwa oraz zgromadzić wszystkie niezbędne narzędzia. Dzięki temu unikniesz niepotrzebnych problemów i zapewnisz sobie bezpieczne warunki pracy. Warto pamiętać, że dokładność i staranność są niezbędne, aby instalacja działała prawidłowo.
Bezpieczeństwo powinno być zawsze na pierwszym miejscu. Przed przystąpieniem do podłączenia wyłącznika, upewnij się, że zasilanie jest wyłączone, a obwód nie ma napięcia. Dzięki temu zminimalizujesz ryzyko porażenia prądem. W kolejnych częściach artykułu przedstawione zostaną szczegółowe instrukcje dotyczące samego podłączenia, ale na tym etapie kluczowe jest, aby zrozumieć, że dobre przygotowanie to podstawa sukcesu.
Przygotowanie narzędzi i materiałów do instalacji
Aby skutecznie podłączyć wyłącznik schodowy podwójny, potrzebujesz odpowiednich narzędzi i materiałów. Oto lista podstawowych elementów, które będą Ci potrzebne:
- Skrzynka z narzędziami zawierająca śrubokręty (płaskie i krzyżakowe)
- Obcinaczki do przewodów oraz ściągacze izolacji
- Włącznik schodowy podwójny, który chcesz zainstalować
- Przewody elektryczne odpowiedniej grubości (np. 1,5 mm²)
Wszystkie te narzędzia i materiały są niezbędne, aby zapewnić prawidłowe i bezpieczne podłączenie. Pamiętaj, aby przed rozpoczęciem pracy sprawdzić, czy masz wszystko, co potrzebne.
Jak bezpiecznie wyłączyć zasilanie przed pracą
Przed przystąpieniem do podłączenia wyłącznika schodowego podwójnego, kluczowe jest, aby najpierw bezpiecznie wyłączyć zasilanie. Aby to zrobić, należy znaleźć rozdzielnicę, w której znajduje się bezpiecznik odpowiadający za zasilanie obwodu, na którym będziesz pracować. Zazwyczaj rozdzielnice są umieszczone w piwnicach, korytarzach lub w pobliżu drzwi wejściowych. Po zlokalizowaniu rozdzielnicy, wyłącz odpowiedni bezpiecznik, aby odciąć prąd do obwodu.
Po wyłączeniu bezpiecznika, warto potwierdzić brak napięcia w obwodzie. Można to zrobić za pomocą próbników napięcia, które są dostępne w większości sklepów budowlanych. Użyj próbników, aby sprawdzić, czy w przewodach nadal jest prąd. Jeśli próbnik nie świeci, oznacza to, że zasilanie zostało prawidłowo wyłączone i możesz przystąpić do pracy w bezpiecznych warunkach.
Bezpieczeństwo jest najważniejsze, dlatego zawsze pamiętaj o używaniu odpowiednich narzędzi i zachowaniu ostrożności. Jeśli nie masz pewności, jak wyłączyć zasilanie lub czujesz się niepewnie, nie wahaj się skonsultować z wykwalifikowanym elektrykiem. Lepiej jest być ostrożnym i mieć pewność, że wszystko jest zrobione prawidłowo.Schemat podłączenia: Jak prawidłowo połączyć przewody
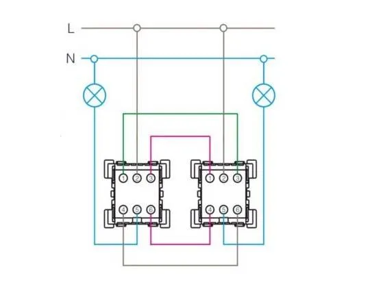
Aby prawidłowo podłączyć wyłącznik schodowy podwójny, ważne jest zrozumienie, jak wygląda schemat połączeń. W standardowej instalacji do wyłącznika prowadzą cztery przewody: dwa zasilające (faza i neutralny) oraz dwa korespondencyjne, które łączą oba włączniki. Przewód fazowy powinien być podłączony do zacisku oznaczonego jako "L" lub "1" w pierwszym włączniku, a następnie zaciski 1 i 2 tego włącznika łączą się z odpowiednimi zaciskami 1 i 2 drugiego włącznika. Na końcu, do zacisków L1 i L2 drugiego włącznika podłączamy przewody prowadzące do lamp.
| Scenariusz | Wymagane połączenia |
|---|---|
| Dwie lampy | Przewody L1 i L2 podłączone do dwóch oddzielnych lamp. |
| Jedna lampa | Przewód L1 podłączony do lampy, L2 pozostaje nieużywany. |
Jak podłączyć przewody do lamp: Kluczowe wskazówki
Podczas podłączania przewodów do lamp, kluczowe jest, aby upewnić się, że połączenia są solidne i dobrze zabezpieczone. Zawsze używaj odpowiednich złączek i upewnij się, że przewody są odpowiednio izolowane, aby uniknąć zwarć. Ważne jest również, aby upewnić się, że przewody neutralne (zazwyczaj niebieskie) i ochronne (żółto-zielone) są poprawnie podłączone do odpowiednich zacisków. Dzięki tym prostym wskazówkom, zwiększysz bezpieczeństwo i niezawodność swojej instalacji.
Najczęstsze błędy przy podłączaniu wyłącznika schodowego
Podczas instalacji wyłącznika schodowego podwójnego wiele osób popełnia typowe błędy, które mogą prowadzić do problemów z działaniem oświetlenia. Jednym z najczęstszych błędów jest niepoprawne podłączenie przewodów, co może skutkować brakiem zasilania lub nieprawidłowym działaniem włącznika. Inny powszechny problem to pominięcie sprawdzenia, czy wszystkie połączenia są dokładnie dokręcone, co może prowadzić do luzów i zwarć. Warto również pamiętać o błędach związanych z używaniem niewłaściwych przewodów, co może wpłynąć na bezpieczeństwo całej instalacji.
Aby uniknąć tych problemów, kluczowe jest staranne planowanie i wykonanie instalacji. Zawsze należy upewnić się, że schemat podłączenia jest zgodny z instrukcją, a wszystkie przewody są odpowiednio oznaczone. W przypadku wątpliwości warto skonsultować się z doświadczonym elektrykiem, który pomoże uniknąć kosztownych błędów. Pamiętaj, że lepiej jest poświęcić więcej czasu na przygotowanie, niż później borykać się z problemami wynikającymi z niewłaściwej instalacji.
Jak uniknąć błędów w połączeniach elektrycznych
Aby zapewnić poprawne i bezpieczne połączenia elektryczne, warto przestrzegać kilku kluczowych zasad. Po pierwsze, zawsze dokładnie sprawdzaj, czy przewody są odpowiednio podłączone do właściwych zacisków, zgodnie z instrukcją. Po drugie, używaj odpowiednich narzędzi do dokręcania zacisków, aby uniknąć ich uszkodzenia. Wreszcie, regularnie kontroluj swoje połączenia, aby upewnić się, że nie występują żadne luzowania lub uszkodzenia, które mogą prowadzić do problemów w przyszłości.
Co zrobić, gdy włącznik nie działa poprawnie?
Jeśli włącznik schodowy podwójny nie działa poprawnie po instalacji, pierwszym krokiem jest sprawdzenie, czy zasilanie jest włączone. Upewnij się, że odpowiedni bezpiecznik w rozdzielnicy jest aktywowany, a obwód ma napięcie. Następnie warto zweryfikować, czy wszystkie przewody są prawidłowo podłączone do zacisków i czy nie ma luzów. Często problemem mogą być także uszkodzone przewody, które należy wymienić, aby przywrócić prawidłowe działanie.

Czytaj więcej: Jak podłączyć wzmacniacz WiFi ASUS RP-N12 i uniknąć problemów z sygnałem
Dodatkowe porady dotyczące instalacji elektrycznych
Podczas pracy z instalacjami elektrycznymi, zawsze należy pamiętać o zasadach bezpieczeństwa. Upewnij się, że masz odpowiednie narzędzia, a także, że miejsce pracy jest dobrze oświetlone i czyste. Przed przystąpieniem do jakiejkolwiek pracy z instalacją, wyłącz zasilanie i upewnij się, że nie ma napięcia w obwodzie. Warto również korzystać z odzieży ochronnej, takiej jak rękawice i okulary, aby zminimalizować ryzyko urazów.
W przypadku, gdy nie czujesz się pewnie w wykonaniu instalacji samodzielnie, skonsultuj się z wykwalifikowanym elektrykiem. Profesjonalista nie tylko zapewni prawidłowe wykonanie pracy, ale również pomoże w diagnozowaniu ewentualnych problemów. Pamiętaj, że bezpieczeństwo jest najważniejsze, a niewłaściwie wykonana instalacja może prowadzić do poważnych konsekwencji. Zainwestowanie w pomoc specjalisty może zaoszczędzić czas i pieniądze w dłuższej perspektywie.
Jak wykorzystać inteligentne technologie w instalacji włączników
W dzisiejszych czasach inteligentne technologie stają się coraz bardziej popularne w domowych instalacjach elektrycznych, w tym w podłączaniu włączników schodowych podwójnych. Dzięki aplikacjom mobilnym i systemom automatyki domowej, możesz zdalnie sterować oświetleniem, co zwiększa komfort i bezpieczeństwo. Warto rozważyć integrację tradycyjnych włączników z nowoczesnymi systemami, które umożliwiają programowanie scenariuszy oświetleniowych, takich jak automatyczne włączanie i wyłączanie świateł o określonych porach dnia.
Wprowadzenie inteligentnych włączników do swojego domu nie tylko ułatwia codzienne życie, ale również pozwala na oszczędność energii. Możesz monitorować zużycie energii przez oświetlenie i dostosowywać je w zależności od potrzeb. Warto również pamiętać, że wiele z tych systemów oferuje możliwość integracji z innymi urządzeniami smart home, co pozwala na stworzenie spersonalizowanego i efektywnego środowiska domowego. W przyszłości, rozwój technologii IoT (Internet of Things) będzie jeszcze bardziej wpływał na sposób, w jaki zarządzamy naszymi instalacjami elektrycznymi.
